- Totalt 0 kr
Svar på de vanligaste frågorna vi får.
Robustel
Hur ställer jag in APN på en Robustel-router
-
1. Logga in på routern
2. Välj fliken Interface
3. Välj Link Manager
4. Under Link Settings, klicka på pennan till höger om WWAN1
5. Expandera WWAN Settings
6. Ändra Automatic APN Selection till OFF
7. För SIM-kort från operatören Tre med fast IP-adress, fyll i static.tre.se i fältet AP
8. Klicka på Submit
9. Klicka på Save & Apply högst upp Hur kommer jag åt en router med fast IP-adress utifrån
-
När du har ställt in rätt APN och säkerställt att du har ett aktiverat SIM-kort kan du komma åt routern utifrån. (Se till så du inte är uppkopplad på routerns WiFi)
Routern är konfigurerad att spärra "vanlig" trafik från Internet på port 80, dvs normal surfning där du börjar med http://
För att öka säkerheten används istället port 443 som du kommer åt genom https:// + din fasta IP-adress utan mellanslag eller din fasta IP-adress:443 exempelvis 79.123.456.78:443
Visas en sida med rubriken "Anslutningen är inte säker" klickar du på Avancerat och därefter fortsätt till din fast IP-adress.
Kommer du ändå inte åt routern, prova att byta webb-läsare.
Tell Software
IP Bridge - Jag har problem med att byta lösenord
-
När man först konfigurerar IP Bridge från TELL så måste man byta lösenord innan man gör någonting annat. I vissa webbläsare och på vissa språk, bl.a. svenska, krånglar det så att man inte kan spara.
Lösningen är att ställa in språket först. När du har surfat till enheten välj "EN" upptill i vyn.

Gå därefter in i "Settings", välj "General" och ange English under "Choose language".

Därefter bör du kunna ändra användarnamn och lösenord utan problem. Ange de inställningar du vill och och klicka SAVE, tänk på att användarnamn och lösen för user och admin måste vara olika. Det underlättar om man klickar i "Show admin & user password" så man ser lösenorden i klartext.
ecoLINE GSM II - Flera signaler går fram innan det börjar ringa.
-
När jag ringer till min ecoLINE GSM II "Modul för fast telefoni via GSM för larm & samtal" så går det fram flera signaler innan den anslutna telefonen/enheten börjar ringa.
Nu finns en ny firmware som ska lösa detta problem, ladda ner firmware och instruktion här:
https://www.tell.hu/en/spd/KA0189/ecoLINE-GSM-II-2G
Pager7 - Konfiguration
-
Här har vi samlat instruktioner för konfiguration av Pager7.

Ladda ner (pdf):
Konfiguration av Pager7 som larmsändare
Pager7 - Hur ansluter jag ingångar och utgångar?
-
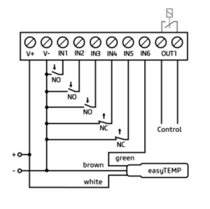
Till ingångarna på Pager7 kan man ansluta en potentialfri slutande (NO) eller brytande kontakt (NC) alternativt en temperaturgivare som finns som tillbehör.
Utgångarna (OUT1 och OUT2) är potentialfria reläutgångar, se fig. nedan.
Inkoppling av slutande eller brytande kontakt till ingångarna görs mellan respektive ingång (IN1, IN2,..osv) och V- (0 VDC).
Anslutning av temperaturgivare görs till V+ och V- samt till önskad ingång:

Pager7 - Hur fabriksåterställer jag enheten?
-
För att fabriksåterställa din Pager7 så väljer du Modem Settings --> Firmware upgrade --> Factory restore enligt bild nedan.

Adapter2 - Konfiguration för porttelefon och inbrottslarm
-
Här har vi samlat instruktioner för konfiguration av Adapter2 som ersätter fast telefonlina för olika applikationer.
Ladda ner (pdf):
Konfiguration av Adapter2 för porttelefon
Konfiguration av Adapter2 för larm
Konfiguration av Adapter2 för att skicka SMS med larmhändelser från inbrottslarm

Adapter2 - Min enhet har helt plötsligt börjat starta om gång på gång.
-
Det här beteendet beror oftast på att operatören skickat ett SMS till SIM-kortet från en avsändare som inte är ett telefonnummer utan består av bokstäver (t.ex. Telia, Tre, Tele2, etc.).
Normalt tar Adapter2 bara emot SMS:en och kastar dem men de med avsändare bestående av andra tecken än siffror kunde den fram till nu inte hantera, utan startar då om gång på gång.
Detta är löst från firmware-version v8.02.0.8311 och senare, läs nedan hur man uppgraderar FW.
Ladda ner (pdf):
Instruktion för uppgradering av firmware i Adapter2

Adapter2 - Behöver jag ställa in APN?
-
För att 4G-samtal (VoLTE) ska fungera krävs att man ställer in APN i Adapter2, men från FW version V8.02.0.8311 så kan enheten hämta APN automatiskt förutsatt att operatören stöder den funktionen.

Adapter2 - SIM-kort från Telenor med Adapter2
-
Fram tills nu har vi rekommenderat kunder att inte använda SIM-kort från Telenor med Adapter2 för att det har förekommit störningar vid samtal.
Problemet uppstår när Adapter2 är inställd att ringa via 4G-nätet (VoLTE) medan mottagarens telefon inte har stöd för 4G -samtal (VoLTE) utan bara kan ringa via 2G eller 3G-näten. Då etableras röstsamtalet bara i en riktning.
Nu finns det en ny firmware till modemet som löser det problemet och den kan uppgraderas i alla Adapter2 med modem A7682 och version B12. Hur man gör framgår av dokumentet nedan, kontakta oss gärna på support@acandia.se eller 08-52224030 om det verkar för komplicerat så hjälper vi till.
PDF: Adapter2 och Telenor SIM - Uppgradering av modem firmware

Adapter2 - Kan Adapter2 skicka SMS med larmhändelser från mitt inbrottslarm?
-
Adapter2 kan enkelt konfigureras att skicka SMS med larmhändelser från inbrottslarm, se instruktion nedan.
Ladda ner (pdf):
Konfiguration av Adapter2 för att skicka SMS med larmhändelser från inbrottslarm

Adapter2/Gate Control: Det fungerar inte längre att ringa till eller från min enhet.
-
Troligen beror detta på att mjukvaran i enhetens modem inte stöder samtal via 4G, s.k. VoLTE, vilket krävs nu när 2G- och 3G-näten stängts ner. Modemen kan i många fall uppgraderas men det kräver att enheten har ett SIM-kort med datatrafik för att det ska fungera. Läs mer i dokumentet vi länkat till nedan.

SEA - 4G/GSM-styrningar för värme
GSM-R4-DINB - Hur tolkar jag lysdioderna?
-
I manualen till GSM-R4-DINB framgår följande.

GSM-R5-DINB - Hur tolkar jag lysdioderna
-
I manualen till GSM-R5-DINB framgår det att:

GSM-R4-DINB - Appen till GSM-styrningen kan inte skicka SMS eller jag hittar inte appen för nedladdning
-
För en tid sedan tog Google (Android) och Apple (IOS/iPhone) bort möjligheten att installera appar som skickar SMS eller kommunicerar med meddelande-appen. Detta är tyvärr inget vi kan påverka.
Det går dock alltid bra att skicka kommandona som vanliga SMS från meddelande-appen. Nedan listar vi de vanligaste kommandona.
Exempel (om lösenkod är 1234):
1234 Y3 ON … utrustning ansluten till utgång 3 slås på
1234 Y3 OFF … utrustning ansluten till utgång 3 slås av
1234 Y4 ON … utrustning ansluten till utgång 4 slås på
1234 Y4 OFF … utrustning ansluten till utgång 4 slås av
1234 Y3 PULSE 10… utgång 3 slås på för att efter 10 sekunder slås av igen. (Anm: Om utgången redan är på så slås den endast av efter 10 sekunder)
1234 Y4 PULSE 5 … utgång 4 slås på för att efter 5 sekunder slås av igen. (Anm: Om utgången redan är på så slås den endast av efter 5 sekunder)
1234 Y3 REG 22 … utgång 3 ställs in att reglera temperaturen mot +22°C
1234 Y4 REG 5 … utgång 4 ställs in att reglera temperaturen mot +5°C
1234 STATE ... styrningen returnerar ett SMS med aktuell status
1234 !VERSION …styrningen returnerar ett SMS med serienr, typ och FW-version
LTE-R5-DIN - Min enhet skickar inte SMS vid temperaturlarm.
-
Om du har problem med att din 4G-styrning LTE-R5-DIN inte skickar SMS när ett inställt gränsvärde för temperatur passeras så är det löst fr.o.m. firmware v3.330.
Skicka följande SMS för att uppdatera:
1234 UPDATE
Om du ändrat lösenkod från den fabriksinställda så anges förstås din kod innan kommandot UPDATE.
Davis Instruments - Väderstationer
D6332OV Trådlös sensorstation - Värdena från den trådlösa sensorstationen syns bara i min app, finns det någon lösning?
-
Många kompletterar sin trådlösa väderstation av typ Vantage Pro2 eller Vantage Vue med en trådlös sensorstation för att övervaka t.ex. vattentemperatur. Ett problem som då kan uppstå om man vill att många ska kunna se t.ex. badtemperaturen i sjön är att det bara är ägaren av stationen som ser de värdena i sin mobilapp.
Det kan man lösa på två sätt:
- Dela (share) väderstationen med alla användare som behöver ha tillgång till den. Man måste då lägga till dem konto för konto i Weaterlink.com så man behöver veta alla användarnamn.
- Skapa ett nytt gratiskonto på Weatherlink.com och dela stationen med det nya kontot. Distribuera sedan användarnamn och lösen för det nya kontot till de som ska ha tillgång. Då kan de logga in med de uppgifterna i appen och kan se värdena men kommer de inte åt några av inställningarna för väderstationen.

SIM-kort & abonnemang
Hur kan jag som kund hos operatören Tre få reda på om mitt abonnemang är aktivit?
-
Det är bara den som har ett abonnemang hos Tre som kan få uppgifter om status, eventuella obetalda räkningar eller göra förändringar av abonnemanget.
Kontaktuppgifterna till Tre Kundservice Företag:
Telefon: 077-173 53 11
E-post: foretagskundservice@tre.se
Kundservice öppentider: Mån-fre 8-18, lör-sön stängt
Tänk på att du behöver veta organisationsnummer på företaget/Brf/föreningen som abonnemanget står på, firmatecknarens namn och personnummer och vilket abonnemang det gäller om ni har flera abonnemang hos Tre.
Hur kan jag som kund hos operatören Tre får reda på om mitt abonnemang är aktivt?
-
Det är bara den som har ett abonnemang hos Tre som kan få uppgifter om status, eventuella obetalda räkningar eller göra förändringar av abonnemanget.
Kontaktuppgifterna till Tre Kundservice Företag:
Telefon: 077-173 53 11
E-post: foretagskundservice@tre.se
Kundservice öppentider: Mån-fre 8-18, lör-sön stängt
Tänk på att du behöver veta organisationsnummer på företaget/Brf/föreningen som abonnemanget står på, firmatecknarens namn och personnummer och vilket abonnemang det gäller om ni har flera abonnemang hos Tre.
Vilken storlek har SIM-kortet?
-
På respektive produkt framgår det om det är ett SIM-kort i storleken Mini, Micro eller Nano som passar. Du kan läsa mer om de olika storlekarna här.
Lösningar för att skicka mejl från IoT-enheter efter Googles skärpta säkerhetspolicy januari 2025
Kan jag få min IoT-enhet att skicka mejl efter Googles skärpta säkerhetspolicy i januari 2025
-
Policyförändringarna från Google och andra offentliga e-posttjänster angående "Mindre säkra" applikationer kan få påverkan på flera av våra enheter - se Google Support-länk.
Som en följd av dessa uppdateringar kan vissa hårdvaruenheter, såsom skrivare, skannrar, fjärrövervakning, larm och liknande utrustning, inte längre skicka e-post genom offentliga e-postservrar, även om de stöder TLS-kryptering.
Exempelvis kan inte våra modeller TCW2xx och TCG1XX från Teracom skicka e-post via Googles servrar.
För att lösa detta problem finns det några alternativ:
- Använda företagsdrivna e-postservrar istället för offentliga.
- Välja offentliga e-postservrar med mindre restriktiva policyer.
- Använda en transaktionsbaserad e-posttjänst.
