- Totalt 0 kr
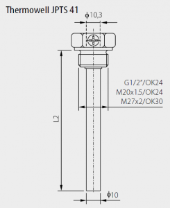
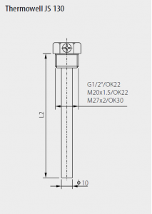
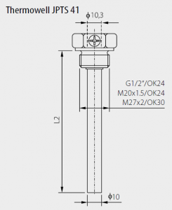
Dykrör används för att skydda temperaturgivare i applikationer där direktkontakt med mediet inte är önskvärd. Genom att fungera som en skyddande hylsa möjliggör de enkel installation och underhåll av givare utan att störa processen.
Skydd och funktionalitet
Dessa komponenter är utformade för att tåla krävande miljöer och skydda sensorer från tryck, korrosion och mekanisk påverkan. De används ofta i system där det är viktigt att kunna byta eller underhålla givare utan att tömma eller stoppa processen.
Variationer för olika behov
Dykrör finns i olika material och dimensioner för att passa specifika applikationer. Valet av rätt dykrör säkerställer arbetsprocessen och livslängden för temperaturgivare i olika system.
Med standardiserade anslutningar och kompatibilitet med olika givartyper är dykrör enkla att integrera i befintliga system. De möjliggör snabb och säker montering, vilket minimerar driftstopp och underlättar underhåll.
